產品概述
| 技術參數 | ●單頭更大流量:2400L/H ●雙頭更大流量:4800L/H ●更高排出壓力:8bar ●調節比10:1,穩態精度±1% ●吸入提升高度更大可達2.5m水柱 ●更高環境溫度:+40 ℃ |
| 主要特征 | ●可同時輸送兩種不同介質或同時輸送一種介質:雙頭流量可單獨調節,調節范圍更大;較單頭泵脈沖可減小50%,輸送更加平緩,電機利用率高:性價比更高。 ●機械驅動隔膜,物料側無隔膜護盤,便于物料通過, PP 、 PVDF 、316SS等多種泵頭材質可選,自清洗單向閥結構。 ●可變偏心機構調節,確保流量脈動平緩變化,適合各種苛刻的工作環境。 ●采用油浴潤滑,驅動部件工作壽命長。 ●在停機或運行狀態下均可實現流量調節。 |
| 典型應用 | ●石油化工、化工、電力、冶金、醫藥、食品等各種領域,在市政、工業水與廢水、泳池等水處理工作中得到廣泛應用 |
| 材質 | ●PVC、PVDF、316SS、特殊材料 |
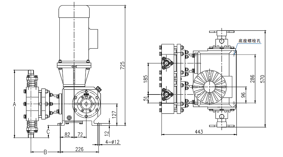
尺寸圖

售后無憂

中泵科技是一家銷售不銹鋼多級離心泵的企業。公司建立了完善的營銷服務網絡,在不斷滿足國內市場需求的同時積極出口海外市場,產品廣泛應用增壓,工業應用,水處理,生活供水,空調水循環,供暖,消防系統,地下水供應,污水廢水處理,化工行業和海水淡化等諸多領域),銷售主導產品有:南方泵業CDL、CDLF系列不銹鋼輕型多級離心泵,CHL,CHLF,CHLFT系列不銹鋼輕型多級離心泵;NFWG無負壓變頻供水設備、DRL恒壓變頻供水設備






